![]() |
![]() |
![]() |
Horizontal geteilte, kastenlose Formanlagen nach dem Matchplate - Verfahren sind seit vielen Jahren bekannt und zählen, außerhalb Mitteleuropas, zu den führenden Formverfahren. Der Stand der Technik zu diesem Verfahren wurde bereits in der Fachzeitschrift „GIESSEREI" im Heft 08/2010 durch eine allgemeine Beschreibung des Prozesses vorgestellt. Während der GIFA 2011 wurde den Gießereien eine Formmaschine dieses Typs präsentiert. Daher wird in diesem Bericht lediglich in der Einführung auf das allgemeine Anlagenkonzept eingegangen.
Der Bericht ist wie folgt gegliedert:
- Vorstellung des Formprozesses
- Angaben zur Produktpalette
- Vorstellung der DISA MATCH 28" x 32"
- Verfahrenstechnische Parameter
- Beispiele aus der Praxis - Formhärtemessungen
- In einer Kundengießerei
- Im Herstellerwerk mit und ohne Formrahmen - Maschinenbedingter Versatz
Mit einer Computer-Animation wurde das gesamte Formverfahren von der Formherstellung, über das Kerneinlegen, Setzen der Jackets und Beschwergewichte, über die Kühlung bis hin zum Auspacken noch einmal als Einleitung vorgestellt. Für diesen Bericht wurde die Darstellung im Bild 1 gewählt.
Bild 1 Ablauf des Formprozesses
Die Tabelle 1 zeigt die derzeit verfügbaren Anlagegrößen. Die stufenlos einstellbare Höhe der Formballen trägt zu einer Optimierung des Formstoffverbrauchs und dessen gleichmäßigeren Belastung bei.
Vorstellung der DISA MATCH 28" x 32"
Im Matchplate- Verfahren werden Modellplatten eingesetzt, auf denen beidseitig die Modelle montiert werden. Die Angabe 28" x 32" (711 x 811 mm) gibt die mit Formstoff beaufschlagte Abmessung der Modellplatte in der Teilungsebene wieder. Da die Führungen der Modellplatte in der Formmaschine außerhalb des Formbereiches liegen, werden diese - wie im Bild 2 ersichtlich - größer gewählt. Dadurch ist es auch möglich, Modellplatten nach dem Matchplate-Verfahren, die für andere Maschinen gebaut wurden, mit einem Adapterrahmen zu übernehmen.
Bild 2 Modellplatte
Eine Entlüftung der Modelle durch die Modellplatte ist möglich.
Im folgenden Bild 3 sind die Abmessungen der beiden Formkästen ersichtlich. Die Formmaschine arbeitet nach dem Durchstoßprinzip. Somit haben beide Formkästen im Bereich der minimalen Formdicken von jeweils 225 mm eine Konizität von 4°, um ein fehlerfreies, gemeinsames Durchstoßen der Formballen aus den beiden Rahmen zu ermöglichen. Die flexiblen Bereiche der Formhöhen von 225 bis 300 mm bzw. 225 bis 350 mm sind dagegen parallel gearbeitet, um die stufenlose Höheneinstellung der Pressplatten zu ermöglichen. Dementsprechend reduziert sich die verfügbare Oberfläche des Formballens zum Setzen von Einlauftrichtern und Luftpfeifen auf 688 x 788 mm.
Bild3
Die verfügbaren Höhen werden im Bild 4 dargestellt. Dabei werden folgende Maße definiert:
H1: Abstand der UK- Modellplattenoberfläche zum tiefsten Punkt der UK- Plattenseite
H2: Abstand der OK- Modellplattenoberfläche zum tiefsten Punkt der OK- Plattenseite
H3: Abstand der OK- Modellplattenoberfläche zum höchsten Punkt der OK- Seite
H4: Abstand der UK- Modellplattenoberfläche zum höchsten Punkt der UK- Seite
T: Modellplattenstärke
S: Sicherheitsabstand
Folgende Begrenzungen werden daraus bestimmt:
Der maximale Abstand der UK- Seite von der Plattenoberfläche zur UK- Kammer: H1+H4
Der maximale Abstand der UK- Seite von der Plattenoberfläche zur OK- Kammer: T+H2+H3
S ist der Sicherheitsabstand zwischen dem Modell und der Pressplatte. Damit soll die Zerstörung der Sandkörner vermieden werden. Der Abstand beträgt in der Regel 70 mm, kann jedoch auf 60 mm reduziert werden, wenn es sich nicht um eine größere Modellfläche handelt:
S= 70 (60)
Die Höhen der Modelle, H3 und H4, sind durch S begrenzt:
H3≦(max. Formdicke) - S
H4≦(max. Formdicke) - S
Um eine Kollision zwischen Form und Modell zu vermeiden, muss H1 kleiner als H3 und H2 kleiner als H4 sein.
Bild4
Das Bild 5 zeigt die Lage der Modellplatte in der Formkammer. Nach dem Zusammenlegen der beiden Formkammern mit der Modellplatte, wird das System an seinem Drehpunkt an der oberen Formkammer um 90° gedreht. Dadurch sieht das System wie eine doppelte DISAMATIC-Formkammer aus. Die Position der beiden Sandeinschuss-Schlitze ist so gewählt, dass sich der Formstoff während des Einschießens optimal verteilen kann, gleichzeitig aber ein erhöhter Verschleiß am Modell vermieden wird. Die Tiefe der Formkammer ist so berechnet, dass die maximale Formdicke nach einer 25%-igen Verdichtung erreicht werden kann.
Bild 5
Kastenlose Formverfahren werden immer wieder mit schlechterer Modellplattenbelegung und größeren Randabständen in Verbindung gebracht.
Mit dem Bild 6 soll diese Diskussion einmal mit Zahlen hinterlegt werden. In erster Linie ist es wichtig, eine stabile Formoberfläche zu erzeugen. Formabbrüche sind zu vermeiden und ein ausreichender Sicherheitsabstand gegen Formdurchbrüche ist zu gewährleisten. Gehen wir nun von einer Gesamt-Modellhöhe von 200 mm bei einem Gussmodul von 0,6 cm aus, kann bei einem enganliegenden Jacket der Abstand zum Formrand im Bereich a mit 61 mm und im Bereich b mit 80 mm gewählt werden. Dabei handelt es sich um Werte, die vom Lieferanten der Anlagen vorgeschlagen werden.
Speziell in Eisengießereien ist in diesem Zusammenhang noch ein weiterer Faktor wichtig; das Sand - Eisenverhältnis. Um die Qualität des Formstoffes nicht unnötig zu belasten, sollte ein Faktor von 5 : 1 oder größer angestrebt werden. Die Möglichkeit der stufenlosen Höhenverstellung von Ober- und Unterkasten kommt einer konstanten Aufbereitung sehr entgegen.
Bild 6
Die amerikanische Gießerei Benton in Pennsylvania betreibt mittlerweile drei DISA MATCH- Formanlagen. Im September 2011 wurden die Formhärten mit einem aktiven Modell im Produktionsprozess ermittelt. Bei diesem Test handelte es sich nicht um eine wissenschaft-liche Versuchsreihen, es sollten lediglich praxisnahe Werte in einem repräsentativen Test gesammelt werden. Es wurde eine Form an 15 verschiedenen Punkten im Ober- und Unterkasten gemessen. In den folgenden Formen wurden in derselben Position stichpunktartig jeweils Messungen wiederholt. Die Formhärte blieb dabei sehr konstant und variierte in etwa 80% der Messungen um nur einen Punkt. Die Messpunkte lagen etwa 2 bis 3 cm von den Formkanten entfernt.
Die beiden Modellseiten des im Versuch verwendeten Modells werden im Bild 7 gezeigt. Wie bei den meisten Modellen wird die Anlage mit einem Schussdruck von 2,0 kp/cm2 und einem Pressdruck von etwa 4,0 bis 4,5 kp/mm2 gefahren.
Bild 7
In den Bildern 8 und 9 werden die Formen mit den einzelnen Messpunkten gezeigt. Zur Messung wurde ein Formfestigkeitsprüfer vom Typ Ridsdale-Dietert Green Hardness B Scale verwendet. In den Vereinigten Staaten wurde diese Skala für Formanlagen entwickelt, deren Formen üblicherweise weicher sind, wie zum Beispiel Rüttelpress- und Matchplate- Maschinen. Reine Matchplate-Gießereien nutzen daher diese Skala, obwohl für Formhärtemessung, ab einen Wert von 85, üblicherweise die C- Skala eingesetzt wird.

Bild 8 und 9
1= 88 ≈ 6,0 | 2= 88≈ 6,0 | 3= 89≈6,2 | 1 =87 ≈5,5 | 2 =90 ≈6,5 | 3 =87 ≈5,5 | |
4= 90 ≈ 6,5 | 5= 93≈ 8,5 | 6= 90≈6,5 | 4 =90 ≈6,5 | 5 =92 ≈7,1 | 6 =90 ≈6,5 | |
7= 88 ≈ 6,0 | 8= 90≈ 6,5 | 9= 97≈14,3 | 7 =88 ≈6,0 | 8 =88 ≈6,0 | 9 =88 ≈6,0 | |
10=87≈ 5,5 | 11=97≈14,3 | 12=90≈6,5 | 10=88≈6,0 | 11=97≈14,3 | 12=92≈7,1 | |
13=87≈5,5 | 14=95≈10,8 | 15=90≈6,5 | 13=88≈6,0 | 14=96≈12,5 | 15=94≈9,9 |
Tabelle 2 Werte der einzelnen Messpunkte mit Angabe der gemessenen Werte und Umrechnung in N/cm2
In der Tabelle 2 werden die einzelnen Messpunkte mit den gemessenen Werten nach Dietert B-Skala und gleichzeitig eine Umrechnung in N/cm2 gezeigt. Der Pressdruck der DISA MATCH ist stufenlos zwischen 3,0 und 10,0 kp/cm2 , der Schussdruck zwischen 0 und 4,5 kp/mm2 einstellbar. Somit liegen die von der Gießerei verwendeten Drücke wohl im unteren Bereich der anlagenbedingten Möglichkeiten. Der Erfolg einer Gießerei liegt jedoch nicht in der Herstellung von Sandformen. Die Bilder 10 und 11 zeigen die Gussteile nach dem Strahlen ohne weiteres Gussputzens. Beachtenswert sind die wirklich sehr sauberen Teilungsebenen.

Bild 10 und11
Aufgrund des beschriebenen Versuchs aus der Praxis wurde in den vergangenen Wochen in unserem Werk in Kopenhagen eine Versuchsreihe zur Formhärte, mit einer DISA MATCH 24/28, die kurz vor der Auslieferung stand, durchgeführt. Zum einen sollten die Formhärten bei einem Schussdruck von 3 kp/cm2 und mit Pressdrücken von 8 bzw. 10 kp/cm2 geprüft werden. Gleichzeitig sollte jedoch auch festgestellt werden, wie sich das Ausdrücken des Formpaketes aus den Formrahmen auf die Formhärte auswirkt. Der Versuch wurde mit einer ebenen Modellplatte und Formballendicken von 190 und 255 mm durchgeführt, um auch die Auswirkung der variablen Formhöhen zu prüfen.
Die DISA MATCH hat die Möglichkeit, die Form nach dem Zusammenlegen noch einmal zu öffnen. Ist der Ballen aus den Formrahmen herausgedrückt, besteht diese Möglichkeit jedoch nicht mehr. Will man die Formhärten messen, muss der obere Ballen abgenommen werden. Dafür ist er zu klemmen und zu drehen. Diese Aktionen führen allerdings dazu, dass die Konsistenz beschädigt wird. Daher beziehen sich die Härtemessungen nur auf die untere Ballenhälfte.
Der Versuch wurde wie folgt durchgeführt:
- Formstoffkontrolle direkt vor der Formmaschine (Verdichtbarkeit: 40%± 2%)
- Formherstellung (schießen/pressen)
- Härtemessung in der Formkammer
- Maschine legt die Formen zusammen und drückt sie heraus
- Maschine fertigt eine weitere Form, die nicht gemessen, jedoch zusammen gelegt und ausgedrückt wird
- Die Form wird auf ein Transportband geschoben
- Die Form wird von Hand auf dem Band geöffnet
- Härtemessung erfolgt
Dieser Versuch wurde dreimal mit denselben Parametern für den Schieß- und den Pressdruck für beide Messungen wiederholt. Bei jedem Versuch wurde auch der Formstoff kontrolliert.
Beginnend 40 mm von der Formkante entfernt, wurden 25 Messpunkte gleichmäßig über die Formfläche verteilt. Dafür wurde eine Schablone angefertigt, die auf die Formen gelegt wurde, für die Sicherstellung einer konstanten Messposition (Bild 12 und 13).

Bild 12 und 13
Nachdem die Härtemessung im Formrahmen erfolgte, wurde der Formballen ausgeschleust und zerstört. Der nächste folgende Formballen wurde hergestellt, ausgedrückt und außerhalb der Maschine für die Messung erneut auseinander genommen. Dies erfolgte dreimal mit einem Schießdruck von 3 kp/cm2 und einen Pressdruck von 8 kp/cm2 bei einer Ballendicke von 190 mm. Danach dreimal mit einem Schießdruck von 3 kp/cm2, einem Pressdruck von 10 kp/cm2, sowie 190 mm Ballendicke. Zum Schluss wurde derselbe Versuch mit einem Schießdruck von 3 kp/cm2, einem Pressdruck von 10 kp/cm2 und einer Ballendicke von 255 mm durchgeführt.
Bild 14 und 15 Härtemessung außerhalb des Formrahmens
In der nun folgenden Tabelle 3 sind die Ergebnisse der Versuchsreihen zusammen gefasst. Im Gegensatz zur Produktion in der amerikanischen Gießerei, wurde mit erheblich höherem Pressdruck gearbeitet. Daher ist es nicht verwunderlich, dass dementsprechend höhere Formhärten erzielt wurden. Ob diese Formhärte zur Produktion von hochwertigem Guss notwendig ist, muss im Einzelfall abgewogen werden. Grundsätzlich sind derartig harte Formen herstellbar. Mit dem Hinweis „weicher" oder „härter" soll auf den Zustand der Form nach dem Ausdrücken aus der Form hingewiesen werden. Die Differenz der Formhärte innerhalb und außerhalb der Formmaschine fällt in den Toleranzbereich der Messungen. Nach Verlassen der Formmaschine bleibt somit die Stabilität konstant. Zur zusätzlichen, weiteren Stabilisierung erhält der Formballen vor dem Abgießen ein Jacket im Bereich der Formteilung, der während der gesamten Erstarrung anliegt. Speziell in Eisengießereien, aber auch bei den meisten Aluminiumgießereien, wird zusätzlich ein Beschwereisen aufgesetzt. Ein endabmessungsnaher Guss ist somit, wie in anderen automatischen Formverfahren, gewährleistet.
Test | Form-dicke | Schuss- druck | Press-druck | Durchschnittliche Härte | Diff. | ||
Im Rahmen | Außerhalb | ||||||
1 | 190 | 3 | 8 | 19,1 | 18,9 | -0,2 | weicher |
2 | 190 | 3 | 10 | 22,0 | 21,6 | 0,4 | weicher |
3 | 255 | 3 | 10 | 20,8 | 20,2 | -0,6 | weicher |
4 | 190 | 2 | 8 | 21,3 | 20,5 | -0,8 | weicher |
5 | 190 | 2 | 8 | 19,6 | 20,2 | 0,6 | härter |
Tabelle 3
Die DISA MATCH kann auch Kühleisen und Speiser in die Form einschießen. Beispiele aus Eisen- und Aluminiumgießereien zum Setzen von Speisern zeigen die Bilder 16 bis 18.


Bilder 16 bis 18
Maschinenbedingter Versatz
Wenn auch die Abmessungen und Formgeschwindigkeiten bei den angebotenen Formanlagen variieren, so ist doch ein Wert bei allen gleich; der von DISA gewährte maschinenbedingte Versatz von maximal 0,25 mm. Doch was wird mit diesem Versatz gemeint? Im Gießereilexikon findet man folgende Definition: „Gussfehler, welcher durch ungenaues Zusammenpassen geteilter Modelle, Formen und Kernkästen am fertigen Gussstück entstehen kann. Dabei entstehen Stufen in der Formteilungsebene". (Bild 19)
Bild 19
Welche Ursachen führen nun zum maschinenbedingten Versatz?
Folgende Ursachen sind möglich:
- Verzogene Modellplatten
- Starker Verschleiß an Stiften und Buchsen
- Ungenaue Ausrichtung der Formmaschine mit der Gieß- und Kühlstrecke
- Heizplatten sind zueinander nicht parallel
- Ungenaue Ausrichtung zwischen Bodenplatte und Formtransport
- Führung der Schwenkplatte verschlissen oder verstellt
- Führungssäulen und deren Lager verschlissen
- Führungsschienen ungenau ausgerichtet
- Führungsblöcke der Pressplatte ungenau ausgerichtet
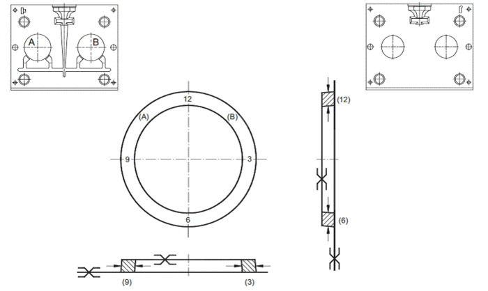
Seit vielen Jahren ist es bei DISA üblich, zur Messung des maschinenbedingten Versatzes Ringmodellplatten einzusetzen. Wenn nicht anders vereinbart, werden die Modellplatten auch für die Abnahme bei vertraglich festgelegten Gewährleistungen zu Grunde gelegt. Es werden zwei Ringe mit dazugehörigem Anschnitt abgeformt und abgegossen. In den folgenden beiden Bildern (Bild 20 und 21) sieht man einen Satz DISAMATIC- Platten. Dabei sind die Ringe mit den Messpunkten 3; 6; 9 und 12 (dem Ziffernblatt einer Uhr nachempfunden) markiert. In diesen Positionen wird später die Ringstärke gemessen und die Differenz der beiden gegenüber liegenden Seiten ermittelt.

Bild 20 und 21
Dabei wird bei der Versatzmessung (Bild 22) in folgenden Schritten vorgegangen:
- Reinigung der Auflageflächen vor der Montage
- Montage der Ring-Modellplatte(n) unter Beachtung der Markierungen
- Einstellung der Kammertiefe auf die entsprechende Tiefe ± 5 mm
- Herstellung von drei Formen und normales Abgießen
- Markierung der drei abgegossenen Formen
- Umstellung auf Normalproduktion und übliches Formen und Abgießen der benötigten Produktion
- Erneute Umstellung auf die Ring-Modellplatten und Herstellung von drei weiteren Abgüssen und deren Markierung
- Herausnahme der Testringe noch vor dem Auspacken
- Nummerierung der sechs Sätze in Reihenfolge der Herstellung und anschließender Reinigung wie die Produktion
- Ringe werden im Bereich der Markierungen von 3; 6; 9 und 12 gemessen
- Die Resultate werden in einer Tabelle (siehe Tabelle 4) eingetragen
- Die Differenz dividiert durch zwei ergibt den horizontalen und vertikalen Versatz.
A | B | A | B | |||||
Anzahl Formen | (3) | (9) | (3) | (9) | (6) | (12) | (6) | (12) |
1 | 9.72 | 9.82 | 10.02 | 9.72 | ||||
2 | 9.70 | 9.94 | 9.86 | 9.68 | ||||
3 | 9.70 | 9.82 | 9.92 | 9.74 | ||||
4 | 9.94 | 9.82 | 10.0 | 9.82 | ||||
5 | 9.84 | 9.90 | 10.04 | 9.80 | ||||
6 | 9.82 | 9.82 | 10.02 | 9.76 | ||||
Versatz | 1. -0.05 | 4. 0.06 | 1. | 4. | 1. 0.15 | 4. 0.09 | 1. | 4. |
(3-9):2 oder | 2. -0.12 | 5. -0.03 | 2. | 5. | 2. 0.09 | 5. 0.12 | 2. | 5. |
(6-12):2 | 3. -0.06 | 6. 0 | 3. | 6. | 3. 0.09 | 6. 0.13 | 3. | 6. |
Durchschnitt | -0.08 | 0.03 | 0.11 | 0.11 | ||||
Bereich | -0.12 | 0.06 | 0.09 | 0.15 | ||||
Tabelle 4
Bild 22 Darstellungen zur Versatzmessung
Die vorgestellten Ergebnisse können wie folgt zusammengefasst werden:
- Es zeigen sich keine Hinweise, dass die Form an Härte verliert, nachdem sie aus der Form gedrückt wurde.
- Die auftretenden Unterschiede resultieren aus der Toleranz der Messungen.
- Wird der Pressdruck von 8 auf 10 kp/cm2 erhöht, erhöht sich auch die Standardabweichung
- Mit Blick auf die Messungen in der Gießerei Benton kann man sagen:
eine ausreichende Formhärte ist wichtig, aber nicht allein entscheidend für guten Guss - Die Messung des maschinenbedingten Versatzes in Formanlagen wurde vorgestellt. Ein Maximalwert von 0,25 mm wird durch die DISA MATCH eingehalten
| DISA Industrieanlagen GmbH ist ein führender Zulieferer. Für weitere Informationen und Kontaktdetails klicken Sie bitte hier: DISA Industrieanlagen GmbH |


