Partner

Most effenciency melting technology

Melting and holding systems which are controlled by IGBT

Reading time: min

IGBT (Insulated Gate Bipolar Transistor) technology ,which was started to use in UPS ( Uninterruptible Power Supply) systems by <link http: www.foundry-planet.com external-link-new-window>EGES company since 1990 years, has been presented to the Foundry Communities for Induction Melting system.

Approximately 4-5 years as a result of on going research and development studies, have come to the stage of the production of Power units with IGBT , and last 6 months has been presented to Turkish and International Foundries Generally Main difference of IGBT controlled power unit from Thyristor Controlled power unit , it has fully digital control system and much higher efficiency compared to analog control system.Most importantly even it is run by low power , the power factor does not fall below of 0,96 and during nominal operation by nominal power is better than 0,98 of power factor. While holding of molten metal and the sintering process , the power can be reduced by the operator during that period and it is result very high levels of reactive power .Therefore the companies pay fines or to cause a high amount of the investment cost for the compensation system.

Another important issue for IGBT controlled power units that the frequency range is very flexible and thus able to reach very low and very high frequencies.

Based on all these positive factors and the demands of our valuable smelter in the direction of the project we have started to adapted holding power unit with IGBT controlled to standart Melting system. Customers in our existing melting systems, adopted by this new design the IGBT-controlled as only holding Power unit and provided both more efficient operation and low investment costs.By this holding unit we have already provided to increase their melting capacity of 20% as .

After the melting process in normal conditions for first Analyse and slag cleaning, ,Second Analyse and tapping are spent approximately 15 to 30 minutes depending on furnace size varies. During this time, without Holding of Melting system which has companies can not run second furnace untill tapping of fully molten metal in first furnace. That period of losting time and all these things are performed by holding power unit and Melting power unit will be ready to start melt with the second furnace indepently.

Another significant lossing time occurs during the sintering. In general, the sintering process is carried out with 80% of low-power parameters and at full power only last a few hours time to be increased for melting. During this long sintering period , melting and tapping is not possible caused of Melting Power unit is run for it.But if system is designed as Melt & Hold then Holding power unit would be used for sintering time almost all and at the period of 8-10 hours which would be lost during sintering ,will be continued in the melting process.
In some cases,melting plant needs to liquid metal in the two furnace crucibles (especially the single largest casting parts) if there is no holding power unit, in this case Melting Power unit periodically should be run with two crucible to get molten metal by operator.But at Melt & Hold systems , after the molten metal in one furnace to keep warm while it by holding power unit, the other furnace can be run to melt by melting power unit . In this way, would have prevented the loss of both time and energy savings are high.

A later adaptation of the unit to the current system may seem like a difficult , Holding system with IGBT control adapted to the current system it takes 2-3 days. Also available on the platform is not necessary to make any changes. Holding Power Unit are placed next to the Existing Power Unit and controlled by the operator in a way that is very comfortable.
Currently, Most High-Power Unit which are produced was calculated as 700 kW. But this system of R & D work is continuing after a short period of much higher power and greater capacity will go up to the melting of the system will start to take their place.

In a low Power Holding Units are run with 380 V input voltage and a very comfortable way if requested by an appropriate generator system can be well fed. During Long-term Electricty cut off in the foundries , with a Holding Power Unit by the generators can be fed , molten metal can be kept warm easily or can be tapped safely.

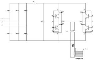
Below drawing shows in the top view of the platform as Holding Power Unit which is adopt to existing melting power.

<link file:7540 download>EGES IGT PDF download (eng)

<link file:7541 download>EGES IGT PDF download (ru)

<link file:7542 download>EGES IGT PDF download (tu)


<link http: www.foundry-planet.com external-link-new-window>Click here for more Information and Contact to EGES Elektrik ve Elektronik Gerecler San ve tic. A.S. in our Suppliers Profile
[245]
Socials